Waveguide Bends
This whitepaper is dedicated to E-plane and H-plane waveguide bends, which have been proposed in ALMA Memo 381 from 2001 (A. R. Kerr, Elements for E-Plane Split-Block Waveguide Circuits, ALMA Memo 381). They were designed for ALMA receiver as a building block for more complex circuits.

The considered bends have been designed and analysed with QuickWave FDTD software.
Scheme of E-plane waveguide bend proposed in ALMA Memo 381 from 2001.
Simulation model of E-plane waveguide bend, prepared in QW-Modeller.
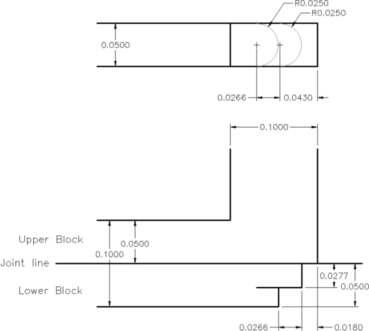
Scheme of H-plane waveguide bend proposed in ALMA Memo 381 from 2001.
Simulation model of H-plane waveguide bend, prepared in QW-Modeller.